Из журнала Adventurer #2, Рыбинск, 17.03.96
+-------------------+
| Ж Е Л Е З О |
+-------------------+
Хрипко Юрий ( Left Handed )
#FD-етям посвещается !
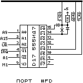
Порт #FD на (ATM) TURBO 2+
--------------------------
В TURBO 2+ порт конфигурации
SPECTRUM 128 переключается, если бит A9
шины адреса находится в единице, а при
использовании команды OUT (#FD),A для
переключения страниц памяти этот бит
не открывается, т.е. находится в нуле,
что не позволяет творить то, что делают
на компьтерах PENTAGON 128. Суть данной
доработки заключается в том, чтобы игно-
рировать этот бит при дешифрации порта.
Как это происходит, можно разобраться по
схеме. Просто отрезать A9 от первого
вывода D17 и подать логическую единицу
на первую ногу D17 нельзя, т.к. нару-
шится дешифрация портов AY 8912(8910),
а также порта ЦАП и TLRD (телефонная
линия).
