Из журнала 'Чёрная Ворона 5'
Украина, Донецкая область, г.Дмитров-1, 01.2001


      ЦИФРОВОЙ ИНДИКАТОР

(C) 2000 Игорь Жовтонога
-----------------------------------------
    Устройство, которое  предлагается для
изготовления,  относится  к  конструкциям
"выходного  дня".  Это цифровой индикатор
состояния порта конфигурации и Turboрежи-
ма. Нужен ли вам такой индикатор - решай-
те сами.
    На  рис. 1 показана нумерация выводов
используемых одноразрядных цифровых инди-
каторов.
    На рис.3 показано обозначение сегмен-
тов.
    На рис.4 показана схема включения од-
ного сегмента.
  На рис. 5 показана принципиальная схема
некоторых  распространенных видов индика-
торов. Цвет свечения у них такой:
      АЛС333-красный
      АЛС334-жёлтый
      АЛС335-зелёный
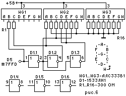
  На рис. 6 показана принципиальная схема
индикатора  состояния порта конфигурации.
Работает она очень просто: если разряд D5
порта  #7FFD  равен нулю - на индикаторах
светится "128", если единице то "48".
  На свободных элементах микросхемы ЛН1 и
еще двух семисегментных индикаторах можно
собрать индикатор режима Turbo (3.5/7.0).
-----------------------------------------