Из газеты Optron #5, Львов, 06.12.97
 
 
 
   +====----
   |
   |    "Львовский вариант": 512K!    |
                                      |
                              ----====+

(C) Хакер Рашпиль

          Еще раз, здравствуйте!

  Сегодня  я  хочу  рассказать  всем  вла-
дельцам  "Львовского  варианта" как расши-
рить память вашего компа до 512К.
  Буквально  два слова о доработке. Данная
доработка увеличивает объем памяти компью-
тера со 128(48) килобайт до 512. Выбор до-
полнительных страниц осуществляется либо с
помощью  6,7  битов  порта #7FFD (стандарт
Pentagon'а), либо с помощью битов 0,1 пор-
тов  #FDFD и #DFFD (ATM и Profi, только не
помню, какой порт чей:(). Выбор режима ра-
боты выбирается рубильником. Вся доработка
может  быть  отключена еще одним рубильни-
ком.
  Теперь,  когда  я  ввел вас в курс дела,
можем приступать к переделке. Для воплоще-
ния  доработки  "в  металле" необнодим па-
яльник,  кусачки, пинцет, пять метров про-
водов,  а также схема компа и платы расши-
рения.
  Перво-наперво  прийдется достать где-ни-
будь  16 микросхем типа 41256 (отечествен-
ные  565РУ7  не  подойдут  - у них немного
иная  организация). Подскажу, где их можно
найти: такие микрухи стоят в 286-х ПЦ.
  Найденные  микрухи необходимо проверить:
вынимаем  одну  из РУ5-х (следует вынимать
рушки экранной памяти), а на ее место ста-
вим  исследуемую  микросхему  и  кидаем ее
первую ножку на землю. Включаем комп. Если
на  экране  появятся  вертикальные полосы,
или наоборот, нехватает точек, то эта мик-
руха нам не подойдет - прийдется еще поис-
кать. Если комп пашет как и раньше, то все
в  порядке и можно переходить к следующему
этапу.
  Чуть  не забыл, если у вас 48-й комп, то
следует  его  переделать  в 128-й, а потом
уже в 512-й.
  Итак,  микрухи  у нас есть, идем дальше.
Теперь необходимо заменить все РУ5 на наши
41256 - РУ5-е лучше повыкусывать без сожа-
ления, а под 256-е поставить панельки. За-
менив микросхемы временно кидаем их первые
ноги  на  землю.  Компьютер все еще должен
"пахать"  в 128-м режиме. Теперь по прила-
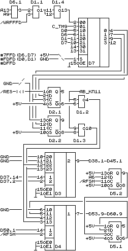
гаемой схеме собираем всю доработку.
  D1 - ЛЕ1
  D2, D5 - ТМ2
  D3, D4 - КП12
  D6 - ЛИ1
  D7 - КП11

  Объяснять  что,  как  и почему не буду -
"чайник"  за такую доработку не возьмется,
а все остальные все уже и так поняли.
  Сигналы  AB_КП11 и C_ТМ9 берутся с платы
расширения,  соответственно  с  1-й  ножки
КП11  и  9-й  ТМ9.  Сигнал /WRFFFD берется
также  с  платы расширения, формируется он
на  ИД7  и равен 0 при A14=1, A15=1, A1=0,
/WR=0, /IORQ=0, /M1=1. Кроме всего вышена-
рисованного,  необходимо  поменять местами
сигналы  идущие на D34.4 и D37.13, D34.6 и
D37.11.  Сигнал  с D50.9 отрезать и подать
на 1-e ножки D54-D60.
  Правильно  собранная  схема  не требует,
практически,  никакой  настройки, поэтому,
если  что-то не заработало, то ищите "соп-
ли", обрывы и ошибки в монтаже. Ну, а если
все  заработало, то память можно тестануть
программой Ram Doctor Сергея Тятина (в ре-
жиме Pentagon).
  В  заключении  хочу  отметить,  что не я
первый,  и, надеюсь, не последний, кто по-
пытался расширить память "Львовского вари-
анта".  Было бы неплохо, если бы откликну-
лись  авторы  иных  вариантов расширения -
возможно,  их подход окажется в чем-нибудь
лучше  моего. Все ценные решения при жела-
нии   их   авторов  будут  опубликованы  в
"Оптроне"! Кроме того, есть еще масса все-
возможных доработок "Львовского варианта",
которые не дошли до широкого круга синкле-
ристов.  Ау! Железячники! Поделитесь с на-
родом плодами своих трудов!
  Если вдруг возникнут вопросы и/или проб-
лемы  с  расширением,  то можете позвонить
мне,  чем смогу - помогу. Телефон во Льво-
ве: (0322) 67-60-45.
  На  сегодня у меня все. До встречи в ян-
варе!

                              С уважением,
                            Хакер Рашпиль,
                           Климус Владимир