Из журнала ZX Format #1,
Санкт-Петербург, 11.1995



  Машина  времени - реальность?
   (о тормозах для Спектрума)

(C) NEMO

   Nemo    с   "...непреодолимым
отвращением  наблюдает  эту раз-
растающуюся  язву..." турбирова-
ния  Spectrum  -  машин. Где это
видано, например, чтобы машина с
непрозрачным    видеопроцессором
типа  KAY-256  или  Scorpion-256
разгонялась  в  ОЗУ  аж  на 75%?
Единственное, что можно предпри-
нять  в  данной  ситуации  - это
срочно наделать "ручников", эда-
ких  тормозов,  которые  помогут
нам обуздать мощность распоясав-
шихся  процессоров. В литературе
уже   встречались  упоминания  о
возможности    создания    таких
устройств, и вот уже час пробил.
Вместе  с  тем  Минздрав  в лице
мастерской  "Блеск" предупрежда-
ет, что любые "довески" сокраща-
ют жизнь Вашего компьютера.
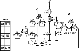
   Вот  ниже приведена схема та-
кого  тормоза, а еще ниже дается
его полное описание:
   Принцип  работы  тормоза пре-
дельно  прост. Импульс регенера-
ции RFSH/ поступает с процессора
и  разряжает емкость C1, которая
является времязадающей.
   На   заданное  время,  равное
T=(R4+R3)*C1*0.42,  пока конден-
сатор  заряжается до 2В, ИМС DD1
по выходу с открытым коллектором
(ОК)  (D1.6)  блокирует сигналом
WAIT/  очередное  обращение про-
цессора к памяти или портам вво-
да  -  вывода.  В зависимости от
положения движка R3 реальный ко-
эффициент  торможения составляет
1.1 - 6.8 раз. Увеличив R3 в 1.5
- 2.5 раза, можно еще больше за-
тормозить процессор, однако мно-
гие  программы  при этом остано-
вятся, т.к. будут успевать отра-
батываться   только   процедуры,
инициируемые  по системному тай-
меру  (INT). Если Вас не смущает
запах  паленой  резины при таком
торможении,  смело  увеличивайте
R3!
   Элементы D1.1 и D1.2 блокиру-
ют  тормоз  при операциях с дис-
ком, т.е. когда требуется полная
мощность  процессора. Транзистор
VT1,  включенный эмиттерным пов-
торителем, согласовывает высоко-
омную времязадающую цепь с ТТЛ -
входом.  Кнопка  P1  в замкнутом
состоянии отключает тормоз. Све-
тодиод  HL1 свечением напоминает
о  том, что машина стоит на руч-
нике и быстрее не поедет.
   Емкость   C1  увеличивать  не
следует, т.к. не удастся обеспе-
чить   минимальный   коэффициент
торможения  при допустимых токах
ОК  D1.4  и  движка  R3 (из - за
искрения движка может возникнуть
пожар  или  подгорит токосъемный
элемент в вышеупомянутом R3).
   Наблюдательный    программист
наверняка   почерпнет  для  себя
много  полезного в лениво разви-
вающихся обстоятельствах игровых
ситуаций  и  пред ним предстанет
неприглядность   программистской
мастерской во всей ее первоздан-
ной  красе. Порядок заполнения и
формирования   спрайтов,  методы
заполнения   экрана,  упрощенное
раскручивание "ксорок" - это да-
леко не все, что можно получить,
используя эту машину времени.
   В некоторых программах автору
удалось   обнаружить  мгновенные
рекламные  вставки фирм, которые
обладают  свойством сразу прова-
ливаться  в подсознание человека
с    целью   стать   императивом
действия.  Глаза  оператора  ис-
пользуются  как простые рецепто-
ры,  сигналы которых минуют кору
головного мозга, где расположена
различающая  способность (интел-
лект).
   Заядлый игрок получит необхо-
димое для размышлений время, за-
даваемое резистором R3, и, вклю-
чив  в нужный момент тормоз фик-
сацией   P1,   преодолеет  самую
сложную игровую ситуацию.
   Тормоз  не следует включать в
моменты,  когда требуется полная
производительность   компьютера,
например,  при работе с магнито-
фоном,   модемом,  прослушивaнии
музыки  и  т.д.  Не всегда также
предсказуемы  побочные  эффекты,
связанные   с  применением  этой
приставки, ну да терпение и труд
все  перетрут. Только зачинается
заря тормозостроения.