Из журнала ZX Power #2
Харьков, 25.05.1997



           -= Vic =-
        presents for you
 
     Последовательный порт
         для Spectruma!
________________________________
 
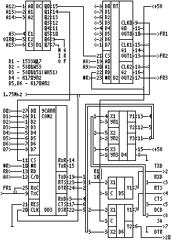
   Данная статья является описа-
нием доработки VCOM,которая поз-
волит  подключить  к Вашему ком-
пьютеру любое  внешнее устройст-
во, рассчитанное  на  последова-
тельный порт, например мышь, мо-
дем  или  принтер.   Программное
обеспечение вы можете заказать у
меня, позвонив по телефону, при-
веденному в конце статьи.  Итак,
принципиальная схема:
выв.4  D5 и D6 соединить  с  GND
Выв.5  D5 и D6 соединить  с -12В
Выв.8  D5 и D6 соединить  с +12В
 
   Адреса портов контроллера:
 
   #80F7, #81F7, #82F7, #83F7  -
порты таймера.
   #90F7,#91F7 - порты интерфей-
са COM1.
 
   При  работе с  портом вначале
необходимо     запрограммировать
таймер на режим деления  частоты
(режим 3). При  этом  неоБходимо
следить,  чтобы   результирующая
частота  не выходила  за пределы
допустимых     значений  (макси-
мальная   частота   на    входах
RxC/TxC УСАПП  по паспорту  сос-
тавляет 615 KHz).
 
   Тип  примененного  разъема  -
DB-25P (стандартный разъем внеш-
него модема). Для  тех,  кто  не
знает,  DB-25P  означает  разъем
типа "вилка" или "папа".
 
   Для подключения COM2  необхо-
димо использовать  3  микросхемы
(ВВ51, УП2, АП2). На входы  9  и
25 УСАПП необходимо подать вмес-
то сигнала FR1 сигнал FR2 с тай-
мера, а на вход 11 сигнал  с  13
вывода  ИД7.  Для  сигнала   TxD
необходимо  использовать свобод-
ную половинку D5.
   За  дополнительной   информа-
цией обращайтесь  непосредствен-
но ко мне.
+------------------------------+
|     (C) Vic at 07.02.97      |
|   Телефон: (0572) 10-50-26,  |
|      спросить Виктора.       |
+------------------------------+